• Linkedin
  • Youtube
  • Flickr

A47

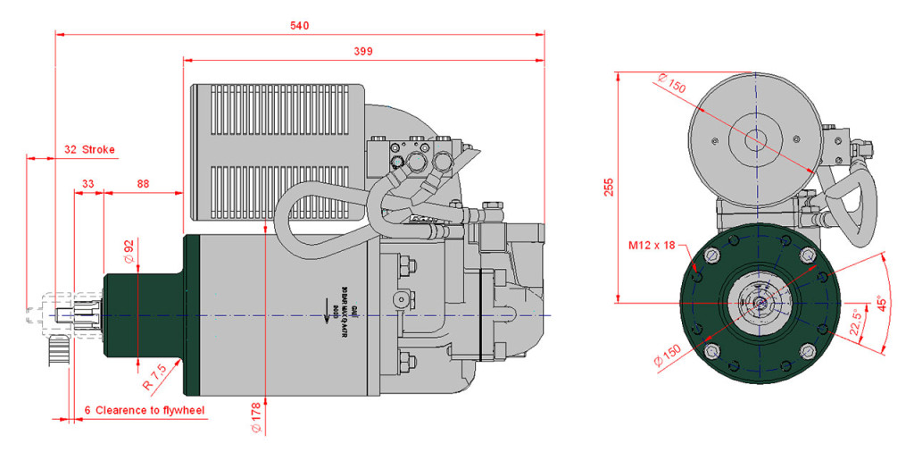
A47型空气启动马达可以启动功率1100kW到4400kW(1500到6000马力)左右的柴油机,其核心参数有气缸的行程,缸数和直径,和啮合齿轮和柴油机飞轮的传动比。

A47在通常情况下配有啮合齿轮和法兰,不需要外加润滑。它是自主润滑的。

它的高扭矩,抵抗有害环境条件(湿,盐,极度的高低温等)的能力使其成为最可靠的启动器,它可以用于:电厂,燃气涡轮机,船舶主机和重型燃料发动机。

A47也可以有Z型版本,可用于狭窄空间。

下载

销售和维修网络

盖力集团在世界各地设有代理人网络,维修车间和合作伙伴。: 欧洲亚洲美洲

描述

技术参数

datostecnicos_A47

照片

视频

证书