• Linkedin
  • Youtube
  • Flickr

9.5” 型

9.5” 型

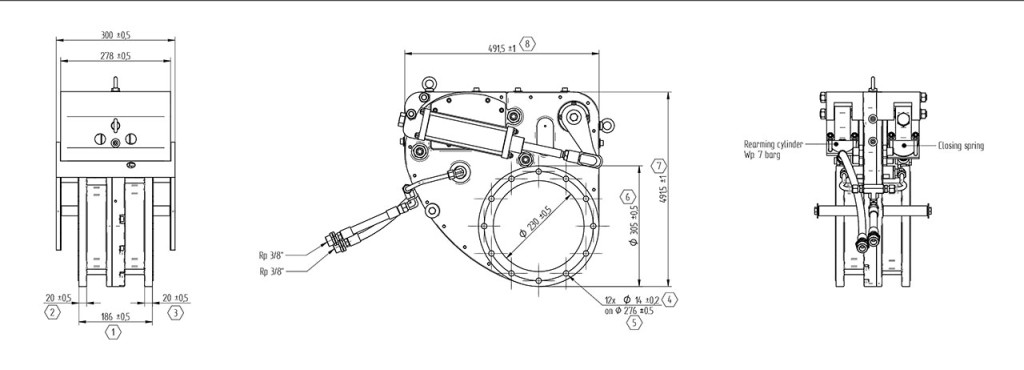
盖力的阀门允许自动关闭进气系统,增加使用地点的安全性,它可以用于例如海上平台,轮船机舱或者陆地机房,石化工厂及其他工厂。

销售和维修网络

盖力集团在世界各地设有代理人网络,维修车间和合作伙伴。: 欧洲亚洲美洲

描述

技术参数

照片